Raziskovalna oprema

Raziskovalna oprema je namenjena izvajanju eksperimentov pri raziskavah, opazovanjih in meritvah v različnih znanstvenih in strokovnih področjih. Sem sodijo natančni merilni instrumenti, laboratorijske naprave, specializirani računalniški sistemi ter orodja za zbiranje, obdelavo in analizo podatkov. Njena uporaba omogoča preverjanje hipotez, razvoj novih tehnologij ter pridobivanje zanesljivih in ponovljivih rezultatov, ki so temelj za znanstveni napredek in inovacije.

 

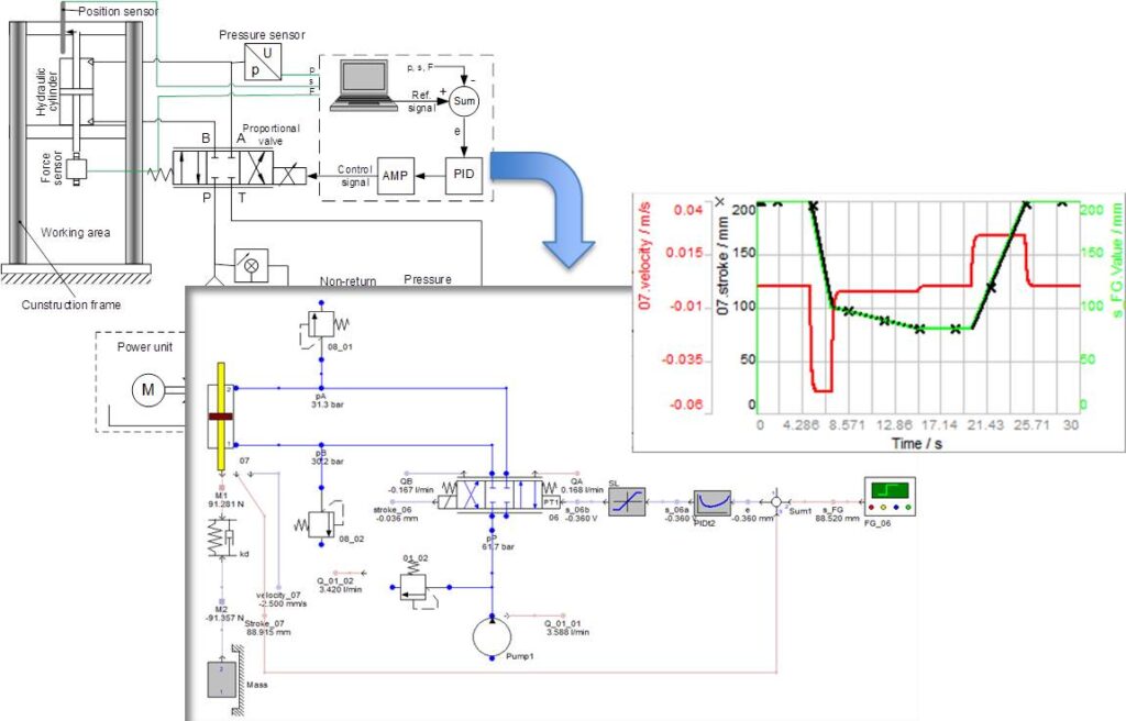
Eksperimentalno mesto – hidravlična servo stiskalnica

  • uporaba servo tehnike, servo linearne osi krmiljene s servo ventili
  • uporaba merilnikov pomika, tlaka, sile, temperature,…
  • krmiljenje s pomočjo programskega orodja NI Labview, PLC Beckhoff CX 9020, TwinCAT
  • zajem, vizualizacija, spremljanje in shranjevanje merjenih veličin
    izvajanje zaprto-zančnega krmiljenja oz. regulacije (PID, regulacija pozicije, tlaka, sile, kreiranje ciklov)
  • izdelava ciklov za različne aplikacije na področju hidravličnih proizvodnih sistemov ali testirnih naprav

Eksperimentalno mesto za merjenje karakteristik visoko-dinamičnih piezo ventilov

  • merjenje statičnih in dinamičnih karakteristik ventilov (pretočna karakteristika, tlačna karakteristika, odzivni čas venila, frekvenčni odziv ventila)

  • merjenje aktuacijske sile (sila potrebna za preklop ventila v odvisnosti od vrste materiala krmilnega bata, oblike krmilnega bata, merjenje sile trenja bat/ohišje/tesnila, vpliv oblike krmilnega bata na velikost tlačnih in tokovnih sil)

Eksperimentalno mesto za merjenje karakteristik visoko-dinamičnih hidravličnih lineranih osi

  • krmiljene z digitalnimi piezo ventili
  • krmiljene s proporcionalnimi in servo ventili
  • merjenje statičnih in dinamičnih karakteristik (še posebej kakovost pozicijske točnosti in ločljivost poti hidravličnega valja, odzivnost valja na zunanje motnje)
  • primerjava običajnega PID krmiljenja z naprednimi krmilnimi algoritmi

Simulacijsko orodje DSHplus

  • modeliranje, simulacija in optimizacija kompleksnih fluidnotehničnih komponent in sistemov v virtualnem okolju
  • namenjen je snovanju in preračunu oz. analizi dinamičnega obnašanja hidravličnih in pnevmatičnih sistemov
  • predstavlja orodje za spopad s problemi nelinearnosti
  • omogoča pomoč pri ugotavljanju statičnega in dinamičnega  obnašanja hidravličnih in pnevmatičnih sistemov, ki so še v fazi snovanja oz. načrtovanja
  • omogoča pomoč pri dinamični analizi obstoječih hidravličnih in pnevmatičnih sistemov
REZULTATI UPORABE SIMULACIJE:
  • tehničnim zahtevam optimalno prilagojen sistem
  • zmanjšanje stroškov in časa pri gradnji in testiranju prototipov
  • optimalna izbira komponent pri načrtovanju hidravličnega ali pnevmatičnega sistema

Programsko orodje NI LAbview in NI Diadem

  • Kreiranje grafičnih vmesnikov s pomočjo programske opreme NI Labview za krmiljenje komponent in sistemov, za zajem, vizualizacijo, shranjevanje in obdelavo merjenih signalov.
  • NI Diadem – statistična obdelava merjenih veličin, izdelava poročil meritev.

Simulacijsko orodje Siemens Tecnomatix Plant Simulation

  • je programsko orodje za simulacijo diskretnih dogodkov in optimizacijo proizvodnih ter logističnih sistemov 

  • omogoča modeliranje, analizo, vizualizacijo in optimizacijo tokov materiala, skladišč, proizvodnih linij in celotnih tovarn 

  • podpira 3D vizualizacijo ter uvoz CAD-modelov za realističen prikaz postavitve 

  • vključuje statistično obdelavo podatkov, poročila, Ganttove diagrame, Sankeyeve diagrame in druge analitične prikaze 

  • omogoča izvajanje »kaj-če« scenarijev za oceno učinkov sprememb pred implementacijo 

  • podpira optimizacijo z naprednimi metodami, kot so genetski algoritmi, eksperimentalno načrtovanje in avtomatizirani eksperimenti 

  • objektno-orientiran in hierarhičen pristop omogoča ponovno uporabo modelov in hitrejše sestavljanje kompleksnih sistemov 

  • v laboratoriju se uporablja za raziskave in poučevanje na področjih proizvodne logistike, montažnih linij, kontrole kakovosti  in trajnostnih rešitev

Eksperimentalno mesto za merjenje pretočnih karakteristik potnih ventilov s posebnimi krmilnimi robovi

V pripravi 

 

Eksperimentalno mesto za merjenje statičnih in dinamičnih karakteristik mehanskih piezo ojačevalnikov poti

V pripravi